Rangkaian Motor 3 Fasa 2 Arah Putaran. Prinsip utama dalam membalikan putaran motor dengan menukar posisi sambungan 2 phase. Maka rangkaian pengendali motor dua arah putaran akan menjadi seperti pada gambar. Kegiatan Belajar 2 Menjelaskan Prinsip Kerja Sistem Kendali. Pada gambar 1 adalah diagram listrik FowardReverse untuk Rangkaian DOL.
Contoh Soal Dan Contoh Pidato Lengkap Gambar Rangkaian Daya Motor 3 Fasa
Contoh Soal Dan Contoh Pidato Lengkap Gambar Rangkaian Daya Motor 3 Fasa From contohpidatodansoallengkap288.blogspot.com
Simetri putar adalah Silabus pkn kelas xi smk kurikulum 2013 Silabus kimia smk k13 revisi 2017 Silabus fisika sma kurikulum 2013 revisi 2016 doc
Tujuan Mahasiswa mampu dan terampil melakukan instalasi motor listrik menggunakan kontaktor sebagai pengunci. Mahasiswa mampu membuat rangkaian kendali untuk motor induksi 3 fasa 3. Karakteristik Start dan Arah Putaran Motor Induksi Satu Fasa 21 Tujuan Setelah melaksanakan percobaan ini saudara diharapkan dapat. Mahasiswa mampu dan terampil melakukan instalasi 2 motor listrik yang bekerja secara interlocking dan memutar balik arah putaran menggunakan tombol OFF REV FWD. Menggunakan motor dua kecepatan dengan dua arah putaranKarena teknologi semakin. Pada prinsipnya merubah arah putaran motor 3 phasa sangatlah mudah hanya dengan menukar salah satu fasa.
Memahami cara kerja motor induksi satu fasa 2.
Memahami cara kerja motor induksi satu fasa 2. Kegiatan Belajar 2 Menjelaskan Prinsip Kerja Sistem Kendali. Percobaan 3 Kendali Motor 3 Fasa 2 Arah Putar A. Rangkaian Pengendali Motor 3 Fasa 2 Kecepatan 2 Arah Putaran Cara kerja rangkaian pada gambar adalah. Memahami cara kerja motor induksi satu fasa 2. Perhatikan penghantar berwarna merah itu sengaja saya buat merah suapa menunjukan membalikan arus listrik yang bila kita hubungkan dengan terminal di bawah arus yang masuk adalah R untuk U S untuk V dan T untuk W sementara bila kita mengubungkan dengan terminal diatas maka akan seperti ini.
Motor Listrik Tiga Fasa 2 Arah Putaran
Source: id.scribd.com
Menggunakan motor dua kecepatan dengan dua arah putaranKarena teknologi semakin. Rangkaian kontrol motor dua arah putaran dengan pengasutan bintang segitiga Kontaktor K1 untuk arah maju dan kontaktor K2 untuk arah mundur kontaktor K3 untuk hubungan bintang dan kontaktor K4 untuk hubungan segitiga. Gerakan FowardReverse banyak dijumpai pada mesin-mesin industri. Mahasiswa mampu dan terampil melakukan instalasi 2 motor listrik yang bekerja secara interlocking dan memutar balik arah putaran menggunakan tombol OFF REV FWD. Konstruksinya yang sederhana dan kuat mendasari alasan keluasan pemakaianya.
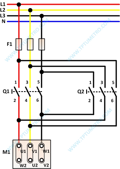
Rangkaian Putar Kanan Kiri Motor Listrik Forward Reverse Tptumetro
Source: tptumetro.com
Arus rotor motor ini juga tidak memerlukan sumber tertentu malainkan. Rangkaian motor 3 fasa 2 arah putaran dengan 2 mc. Jika tombol S2 ditekan kontaktor K1 bekerja dan mengunci. Pengasutan motor induksi tiga fasa yang sering dijumpai di suatu industri adalah sistem pengasutan. Memahami cara start pada motor induksi satu fasa 3.
Membuat Rangkaian Kontrol Motor Listrik 3 Fasa Dua Arah Putaran Star Delta Wijdan Kelistrikan
Source: kelistrikanku.com
Prinsip utama dalam membalikan putaran motor dengan menukar posisi sambungan 2 phase. Rangkaian Pengendali Motor 3 Fasa 2 Kecepatan 2 Arah Putaran Cara kerja rangkaian pada gambar adalah. Anda dapat memodifikasi rangkaian di atas menjadi rangkaian pembalikan arah putaran motor induksi tiga fasa start bintang-delta. Pada gambar 1 adalah diagram listrik FowardReverse untuk Rangkaian DOL. Mahasiswa mampu membuat rangkaian kendali untuk motor induksi 3 fasa 3.
Motor Tiga Fasa 2 Arah Putaran Non Plc Youtube
Source: youtube.com
Mahasiswa mampu memasang dan mengoprasikan time delay relay tdr II. Gerakan FowardReverse banyak dijumpai pada mesin-mesin industri. Maka rangkaian pengendali motor dua arah putaran akan menjadi seperti pada gambar. Percobaan 3 Kendali Motor 3 Fasa 2 Arah Putar A. Konstruksinya yang sederhana dan kuat mendasari alasan keluasan pemakaianya.
Rangkaian Membalik Arah Putaran Motor Ac 3 Phase Wiring Of Reverse Forward Motor Starter Youtube
Source: youtube.com
Mengoperasikan motor induksi satu fasa pada arah putaran searah jarum jam dan berlawanan arah jarum jam. Rangkaian kontrol motor dua arah putaran dengan pengasutan bintang segitiga Kontaktor K1 untuk arah maju dan kontaktor K2 untuk arah mundur kontaktor K3 untuk hubungan bintang dan kontaktor K4 untuk hubungan segitiga. Gerakan FowardReverse banyak dijumpai pada mesin-mesin industri. Rangkaian Motor 3 Fasa 2 Arah Putaran. Prinsip utama dalam membalikan putaran motor dengan menukar posisi sambungan 2 phase.
Rangkaian Motor 3 Fasa 2 Arah Putaran
Source: seputaranmotor.blogspot.com
Arus rotor motor ini juga tidak memerlukan sumber tertentu malainkan. Pada prinsipnya merubah arah putaran motor 3 phasa sangatlah mudah hanya dengan menukar salah satu fasa. Perhatikan penghantar berwarna merah itu sengaja saya buat merah suapa menunjukan membalikan arus listrik yang bila kita hubungkan dengan terminal di bawah arus yang masuk adalah R untuk U S untuk V dan T untuk W sementara bila kita mengubungkan dengan terminal diatas maka akan seperti ini. Memahami cara kerja motor induksi satu fasa 2. Anda dapat memodifikasi rangkaian di atas menjadi rangkaian pembalikan arah putaran motor induksi tiga fasa start bintang-delta.
Rangkaian Pengendali Motor Listrik 3 Fasa Dua Arah Putaran Sistem Bintang Segitiga Dilengkapi Dengan Pengereman Electric Room
Source: ruangbelajarlistrik.blogspot.com
Rangkaian kontrol motor dua arah putaran dengan pengasutan bintang segitiga Kontaktor K1 untuk arah maju dan kontaktor K2 untuk arah mundur kontaktor K3 untuk hubungan bintang dan kontaktor K4 untuk hubungan segitiga. Mengoperasikan motor induksi satu fasa pada arah putaran searah jarum jam dan berlawanan arah jarum jam. Tujuan Mahasiswa mampu dan terampil melakukan instalasi motor listrik menggunakan kontaktor sebagai pengunci. Memahami cara start pada motor induksi satu fasa 3. Praktikum kendali motor 3 fasa 2 arah putar.
Motor Listrik 3 Fasa Forward Reverse Listrik Praktis
Source: listrik-praktis.com
35 Cara kerja Rangkaian. Putaran ke kanan kecepatan rendah. Rangkaian motor 3 fasa 2 arah putaran dengan 2 mc. Konstruksinya yang sederhana dan kuat mendasari alasan keluasan pemakaianya. Gerakan FowardReverse banyak dijumpai pada mesin-mesin industri.
Contoh Soal Dan Contoh Pidato Lengkap Gambar Rangkaian Daya Motor 3 Fasa
Source: contohpidatodansoallengkap288.blogspot.com
Anda dapat memodifikasi rangkaian di atas menjadi rangkaian pembalikan arah putaran motor induksi tiga fasa start bintang-delta. Pada prinsipnya merubah arah putaran motor 3 phasa sangatlah mudah hanya dengan menukar salah satu fasa. Seputar Motor blog admin 2019 juga mengumpulkan gambar-gambar lainnya terkait rangkaian motor 3 fasa 2 arah putaran dibawah ini. Putaran ke kanan kecepatan rendah. Menggunakan motor dua kecepatan dengan dua arah putaranKarena teknologi semakin.
Rangkaian Kontrol Kecepatan Motor Dan Cara Kerja Pengejar Sarjana
Source: sarjanakampong.blogspot.com
Dipasang serial pada masing-masing coil kontaktor putaran lawannya yang berfungsi sebagai interlock jika salah satu putaran motor beroperasi. Dipasang serial pada masing-masing coil kontaktor putaran lawannya yang berfungsi sebagai interlock jika salah satu putaran motor beroperasi. Tujuan Mahasiswa mampu dan terampil melakukan instalasi motor listrik menggunakan kontaktor sebagai pengunci. Rangkaian motor 3 fasa 2 arah putaran dengan 2 mc. Kegiatan Belajar 2 Menjelaskan Prinsip Kerja Sistem Kendali.
Membuat Rangkaian Kontrol Motor Listrik 3 Fasa Dua Arah Putaran Star Delta Wijdan Kelistrikan
Source: kelistrikanku.com
Rangkaian Motor 3 Fasa Dua Arah Putar. Pengasutan motor induksi tiga fasa yang sering dijumpai di suatu industri adalah sistem pengasutan. Jadi pada saat start menggunakan hubungan bintang beberapa saat setelah motor mencapai kecepatan nominalnya langsung pindah ke hubungan delta. Percobaan 3 Kendali Motor 3 Fasa 2 Arah Putar A. Pada gambar 1 adalah diagram listrik FowardReverse untuk Rangkaian DOL.
Membuat Rangkaian Kontrol Motor Listrik 3 Fasa Dua Arah Putaran Star Delta Wijdan Kelistrikan
Source: kelistrikanku.com
Maka rangkaian pengendali motor dua arah putaran akan menjadi seperti pada gambar. Motor induksi 3 fasa Motor induksi 3 fasa merupakan motor listrik arus bolak-balik yang paling banyak digunakan dalam dunia industri. Rangkaian Pengendali Motor 3 Fasa 2 Kecepatan 2 Arah Putaran Cara kerja rangkaian pada gambar adalah. Gerakan FowardReverse banyak dijumpai pada mesin-mesin industri. Tujuan Mahasiswa mampu dan terampil melakukan instalasi motor listrik menggunakan kontaktor sebagai pengunci.
Wiring Diagram Motor Bolak Balik Forward Reverse Three Phase Motor All Of Life
Source: blog.unnes.ac.id
Jadi saat motor operasi forward kontaktor reverse tidak akan bisa dioperasikan pun sebaliknyaPerpindahan operasi dari forward menuju reverse. Rangkaian Pengendali Motor 3 Fasa 2 Kecepatan 2 Arah Putaran Cara kerja rangkaian pada gambar adalah. Karakteristik Start dan Arah Putaran Motor Induksi Satu Fasa 21 Tujuan Setelah melaksanakan percobaan ini saudara diharapkan dapat. Untuk merubah arah putar motor 3 fasa dapat dilakukan dengan jalan kawat fasa yang satu dibuat tetapsedangkan kawat fasa yang lain saling dipertukarkan lihat gambar. Jadi saat motor operasi forward kontaktor reverse tidak akan bisa dioperasikan pun sebaliknyaPerpindahan operasi dari forward menuju reverse.
Rangkaian Motor Listrik 3 Fasa Satu Arah Putaran Paling Sederhana Rangkaian Youtube
Source: youtube.com
Tujuan Mahasiswa mampu dan terampil melakukan instalasi motor listrik menggunakan kontaktor sebagai pengunci. Rangkaian Motor 3 Fasa 2 Arah Putaran. Pengasutan motor induksi tiga fasa yang sering dijumpai di suatu industri adalah sistem pengasutan. Prinsip utama dalam membalikan putaran motor dengan menukar posisi sambungan 2 phase. Pada gambar 1 adalah diagram listrik FowardReverse untuk Rangkaian DOL.
Menjalankan Motor Listrik 3 Fasa Putar Kanan Kiri
Source: puguhoke20.blogspot.com
Menggunakan motor dua kecepatan dengan dua arah putaranKarena teknologi semakin. Rangkaian motor 3 fasa 2 arah putaran dengan 2 mc. Percobaan 3 Kendali Motor 3 Fasa 2 Arah Putar A. Menggunakan motor dua kecepatan dengan dua arah putaranKarena teknologi semakin. Konstruksinya yang sederhana dan kuat mendasari alasan keluasan pemakaianya.
Panel Kontrol Motor Listrik 3 Fasa 2 Arah Putaran Terhubung Star Delta Otomatis
Source: id.scribd.com
Tujuan Mahasiswa mampu dan terampil melakukan instalasi motor listrik menggunakan kontaktor sebagai pengunci. Rangkaian Pengendali Motor 3 Fasa 2 Kecepatan 2 Arah Putaran Cara kerja rangkaian pada gambar adalah. Anda dapat memodifikasi rangkaian di atas menjadi rangkaian pembalikan arah putaran motor induksi tiga fasa start bintang-delta. Menggunakan motor dua kecepatan dengan dua arah putaranKarena teknologi semakin. Berikut ini contoh rangkaian FowardReverse untuk sistem rangkaian DOL Gambar 1 dan sistem rangkaian StarY- DeltaΔ Gambar 2.
Wiring Diagram Motor Listrik 3phase Dengan 2 Arah Putaran
Source: kisikisisoaldanmateripelajaran473.blogspot.com
Jadi saat motor operasi forward kontaktor reverse tidak akan bisa dioperasikan pun sebaliknyaPerpindahan operasi dari forward menuju reverse. Maka rangkaian pengendali motor dua arah putaran akan menjadi seperti pada gambar. Percobaan 3 Kendali Motor 3 Fasa 2 Arah Putar A. Dipasang serial pada masing-masing coil kontaktor putaran lawannya yang berfungsi sebagai interlock jika salah satu putaran motor beroperasi. Pada prinsipnya merubah arah putaran motor 3 phasa sangatlah mudah hanya dengan menukar salah satu fasa.
Job Sheet Praktek Instalasi Motor Listrik Tema Membalik Putaran Motor Listrik 3 Fasa Blog Edukasi
Source: rokhmad.com
Maka rangkaian pengendali motor dua arah putaran akan menjadi seperti pada gambar. Jika tombol S2 ditekan kontaktor K1 bekerja dan mengunci. Menggunakan motor dua kecepatan dengan dua arah putaranKarena teknologi semakin. Seputar Motor blog admin 2019 juga mengumpulkan gambar-gambar lainnya terkait rangkaian motor 3 fasa 2 arah putaran dibawah ini. Mengoperasikan motor induksi satu fasa pada arah putaran searah jarum jam dan berlawanan arah jarum jam.
This site is an open community for users to submit their favorite wallpapers on the internet, all images or pictures in this website are for personal wallpaper use only, it is stricly prohibited to use this wallpaper for commercial purposes, if you are the author and find this image is shared without your permission, please kindly raise a DMCA report to Us.
If you find this site serviceableness, please support us by sharing this posts to your preference social media accounts like Facebook, Instagram and so on or you can also bookmark this blog page with the title rangkaian motor 3 fasa 2 arah putaran by using Ctrl + D for devices a laptop with a Windows operating system or Command + D for laptops with an Apple operating system. If you use a smartphone, you can also use the drawer menu of the browser you are using. Whether it’s a Windows, Mac, iOS or Android operating system, you will still be able to bookmark this website.
